资源篮
0
普通会员
限时优惠
登录
首页
文库
国家标准
综合
农林业
医药卫生
矿业
石油
能源
化工
冶金
机械
国际标准
ISO 国际标准化组织
IEC 国际电工委员会
ITU 国际电信联盟
CAC 国际食品法典委员会
WHO 世界卫生组织
IEEE 电气与电子工程师学会
行业标准
安全生产
石油化工行业
机械行业
化工行业
轻工行业
有色冶金行业
管理体系
质量手册
程序文件
作业指导书/规范
记录与表单
内审/管理评审
措施管理
法律法规
宪法
法律
行政法规
监察法规
地方法规
军事法规
部门规章
地方政府规章
司法解释
工程资料
施工组织设计
工程造价预算
安全资料
技术交底
施工图纸
试验检测
设计、计算
竣工资料编制
行业方案
工业制造
医药健康
石油化工
矿业工程
计算机服务与软件业
弱电工程
数字基建
应急管理
工作总结
办公文档
项目管理
规章制度
事务文书
调研报告
工作计划
招标投标
活动策划
会议纪要
通知/申请
演讲致辞
述职报告
HR管理
合同协议
房屋合同
买卖购销
投资合作
劳动人事
委托代理
加工承揽
借贷担保
租赁合同
服务合同
技术合同
婚姻家庭
运输仓储
知识产权
捐赠赠与
供用合同
诉讼文书
教育培训
幼儿教育
学历教育
资格考试
职业培训
出国留学
公职考试
毕业论文
毕业答辩
标签
专题
悬赏
赚钱
文库
办公文档
招标投标
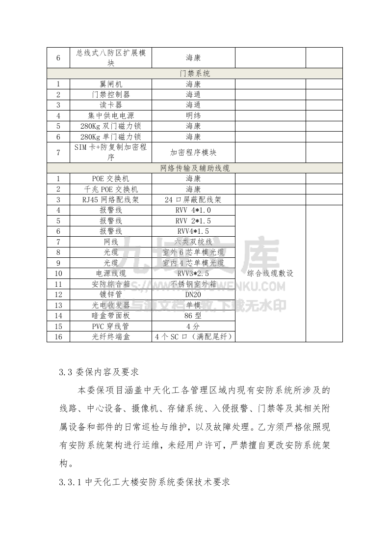
安防系统委保技术规格书
DOCX
18页
下载590
2025-09-15
浏览69431
收藏515
点赞523
评分-
8676字
20积分
侵权举报
温馨提示:当前文档最多只能预览 5 页,若文档总页数超出了 5 页,请下载原文档以浏览全部内容。
剩余13页未读,
下载浏览全部
收藏
已收藏
喜欢
已喜欢
文档描述
安防系统委保技术规格书
轻舞飞扬
蝶翼掠过沧海,而我只需掠过此刻的月光
个人认证
查看用户
该文档于
上传
推荐文档
智能系统投标标书
职工食堂投标书
职工食堂承包投标书
消防维保技术投标书
消防工程投标书
食堂物资采购招标书
食堂食材配送肉类投标文件
室外亮化工程标书
某广场亮化投标文件
软件项目投标技术标书
最新文档
智能系统投标标书
职工食堂投标书
职工食堂承包投标书
消防维保技术投标书
消防工程投标书
食堂物资采购招标书
食堂食材配送肉类投标文件
室外亮化工程标书
某广场亮化投标文件
软件项目投标技术标书
基坑支护和土石方工程招标文件
公路工程清单报价范例
大学食堂投标书
联通大厦清洁投标书
2016农村清洁工程市场化运作项目投标书
2014省体育场保洁服务投标书
2013青年路旧城改造土建、水电安装工程施工组织设计
加油站土建维修2015技术标
基站市电安装投标书
设备运行状态监测系统投标文件-技术部分
QQ
QQ扫一扫联系
点击联系
2353775572
微信
微信扫一扫联系客服
微信公众号
扫一扫访问公众号
扫一扫
客服