资源篮
0
普通会员
限时优惠
登录
首页
文库
国家标准
综合
农林业
医药卫生
矿业
石油
能源
化工
冶金
机械
国际标准
ISO 国际标准化组织
IEC 国际电工委员会
ITU 国际电信联盟
CAC 国际食品法典委员会
WHO 世界卫生组织
IEEE 电气与电子工程师学会
行业标准
安全生产
石油化工行业
机械行业
化工行业
轻工行业
有色冶金行业
管理体系
质量手册
程序文件
作业指导书/规范
记录与表单
内审/管理评审
措施管理
法律法规
宪法
法律
行政法规
监察法规
地方法规
军事法规
部门规章
地方政府规章
司法解释
工程资料
施工组织设计
工程造价预算
安全资料
技术交底
施工图纸
试验检测
设计、计算
竣工资料编制
行业方案
工业制造
医药健康
石油化工
矿业工程
计算机服务与软件业
弱电工程
数字基建
应急管理
工作总结
办公文档
项目管理
规章制度
事务文书
调研报告
工作计划
招标投标
活动策划
会议纪要
通知/申请
演讲致辞
述职报告
HR管理
合同协议
房屋合同
买卖购销
投资合作
劳动人事
委托代理
加工承揽
借贷担保
租赁合同
服务合同
技术合同
婚姻家庭
运输仓储
知识产权
捐赠赠与
供用合同
诉讼文书
教育培训
幼儿教育
学历教育
资格考试
职业培训
出国留学
公职考试
毕业论文
毕业答辩
标签
专题
悬赏
赚钱
文库
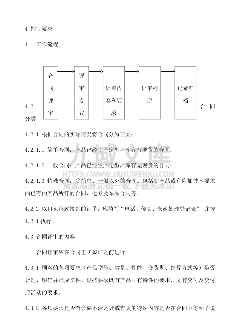
管理体系
国军标质量管理体系
GJB 9001C-2017
GJB9001合同评审控制程序
内审/管理评审
PDF
7页
下载64
2025-12-29
浏览14662
收藏319
点赞933
评分-
免费文档
侵权举报
温馨提示:当前文档最多只能预览 5 页,若文档总页数超出了 5 页,请下载原文档以浏览全部内容。
剩余2页未读,
下载浏览全部
收藏
已收藏
喜欢
已喜欢
文档描述
GJB9001合同评审控制程序
沫沫的朋友
这个人很懒,什么都没留下
个人认证
查看用户
该文档于
上传
推荐文档
GJB 908-2024首件鉴定
新版全套GJB9001程序文件
GJB国军标9001C质量手册
GJB9001纠正措施控制程序
GJB 9001C-2017国军标质量管理体系要求(标准版)
GJB 9001C标准解读
GJB 9001C-2017现场审查项目及需准备的资料
GJB9001C-2017版质量手册
管理评审资料
GJB9001C-2017内部审核标准模板
最新文档
GJB 908-2024首件鉴定
新版全套GJB9001程序文件
国军标设计实施与开发控制程序
国军标认证全部流程和要点
IATF16949、GJB9001C、AS9100D质量管理手册解读
GJB国军标9001C质量手册
GJB9001质量记录控制程序
GJB9001设计策划与开发管理流程
GJB9001纠正措施控制程序
GJB9001监视测量设备控制规范
GJB9001合同评审控制程序
GJB9001管理评审控制程序
GJB9001顾客服务控制程序
GJB9001顾客财产控制程序
GJB9001采购控制程序
GJB9001C需要建立体系文件清单
GJB 9001C-2017国军标质量管理体系要求(标准版)
GJB 9001C标准解读
GJB 9001C-2017现场审查项目及需准备的资料
GJB9001C-2017版质量手册
QQ
QQ扫一扫联系
点击联系
2353775572
微信
微信扫一扫联系客服
微信公众号
扫一扫访问公众号
扫一扫
客服