资源篮
0
普通会员
限时优惠
登录
首页
文库
国家标准
综合
农林业
医药卫生
矿业
石油
能源
化工
冶金
机械
国际标准
ISO 国际标准化组织
IEC 国际电工委员会
ITU 国际电信联盟
CAC 国际食品法典委员会
WHO 世界卫生组织
IEEE 电气与电子工程师学会
行业标准
安全生产
石油化工行业
机械行业
化工行业
轻工行业
有色冶金行业
管理体系
质量手册
程序文件
作业指导书/规范
记录与表单
内审/管理评审
措施管理
法律法规
宪法
法律
行政法规
监察法规
地方法规
军事法规
部门规章
地方政府规章
司法解释
工程资料
施工组织设计
工程造价预算
安全资料
技术交底
施工图纸
试验检测
设计、计算
竣工资料编制
行业方案
工业制造
医药健康
石油化工
矿业工程
计算机服务与软件业
弱电工程
数字基建
应急管理
工作总结
办公文档
项目管理
规章制度
事务文书
调研报告
工作计划
招标投标
活动策划
会议纪要
通知/申请
演讲致辞
述职报告
HR管理
合同协议
房屋合同
买卖购销
投资合作
劳动人事
委托代理
加工承揽
借贷担保
租赁合同
服务合同
技术合同
婚姻家庭
运输仓储
知识产权
捐赠赠与
供用合同
诉讼文书
教育培训
幼儿教育
学历教育
资格考试
职业培训
出国留学
公职考试
毕业论文
毕业答辩
标签
专题
悬赏
赚钱
文库
行业标准
SH 石油化工行业
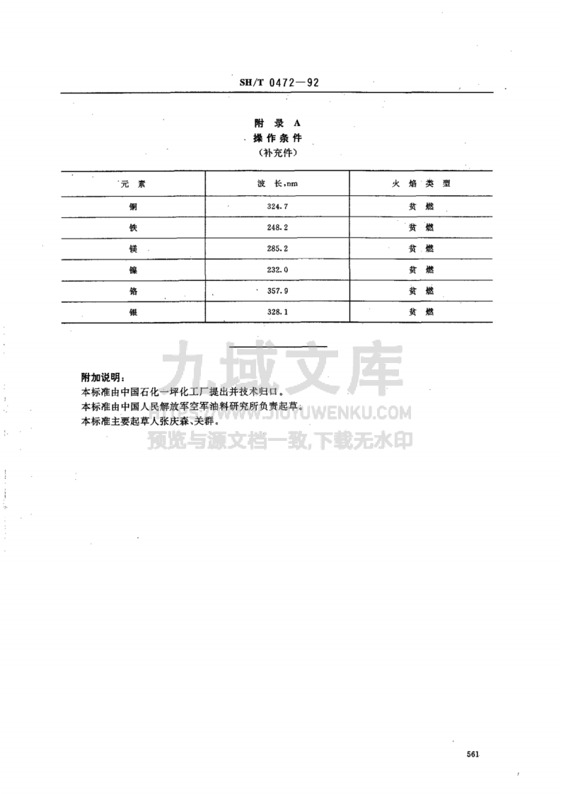
SH0472-1992合成航空润滑油中微量金属含量测定法-原子吸收法
PDF
4页
下载24
2026-01-15
浏览8095
收藏610
点赞521
评分-
30积分
侵权举报
收藏
已收藏
喜欢
已喜欢
文档描述
SH0472-1992合成航空润滑油中微量金属含量测定法-原子吸收法
沫沫的朋友
这个人很懒,什么都没留下
个人认证
查看用户
该文档于
上传
推荐文档
SH0472-1992合成航空润滑油中微量金属含量测定法-原子吸收法
SH0081-1991防锈油脂盐雾试验法
SH_T 0300-1992曲轴箱模拟试验方法-QZX法
SH T0245-1992 溶剂油芳烃含量测定法(色谱法)
SH T 0722润滑油高温泡沫特性测定法
SH T 0703润滑油在高温高剪切速率条件下表观粘度测定法-多重毛细管粘度计法
SH T 0451-1992 液体润滑剂贮存安定性试验法
SH T 0436-1992航空用合成润滑油与橡胶相容性测定法
SH T 0311-1992置换型防锈油人汗置换性能试验方法
SH T 0267-1992润滑油氢氧化钠抽出物的酸化试验法
最新文档
SH0472-1992合成航空润滑油中微量金属含量测定法-原子吸收法
SH0081-1991防锈油脂盐雾试验法
SH_T 0300-1992曲轴箱模拟试验方法-QZX法
SH T0245-1992 溶剂油芳烃含量测定法(色谱法)
SH T 0722润滑油高温泡沫特性测定法
SH T 0703润滑油在高温高剪切速率条件下表观粘度测定法-多重毛细管粘度计法
SH T 0451-1992 液体润滑剂贮存安定性试验法
SH T 0436-1992航空用合成润滑油与橡胶相容性测定法
SH T 0311-1992置换型防锈油人汗置换性能试验方法
SH T 0267-1992润滑油氢氧化钠抽出物的酸化试验法
SH T 0259-1992润滑油热氧化安定性测定法
SH T 0258-1992润滑油的颜色测定法
SH T 0218-1993防锈油脂试验用试片制备法
SH T 0217-1998 防锈油脂试验试片锈蚀度评定法
SH T 0196-1992润滑油抗氧化安定性测定法
SH T 0120-1992 酚精制润滑油酚含量测定法
SH 0251-1993石油产品碱值测定法(高氯酸电位滴定法)
SH 0080-1991防锈油脂腐蚀性试验法
NB_SH_T0505-2017含聚合物油剪切安定性的测定 超声波剪切法
NB_SH_T 0562-2013低温下发动机油屈服应力和表观黏度测定法
QQ
QQ扫一扫联系
点击联系
2353775572
微信
微信扫一扫联系客服
微信公众号
扫一扫访问公众号
扫一扫
客服