文库 国家标准 E 石油

GBT 6540-1986 石油产品颜色测定法

PDF   4页   下载0   2025-08-03   浏览127   收藏0   点赞0   评分-   免费文档 侵权举报
GBT 6540-1986 石油产品颜色测定法 第1页
GBT 6540-1986 石油产品颜色测定法 第2页
GBT 6540-1986 石油产品颜色测定法 第3页
GBT 6540-1986 石油产品颜色测定法 第4页
标准号:GB/T 6540-1986 发布日期:1986-06-25 发布单位:全国石油产品和润滑剂标准化技术委员会 CCS:E30 石油 - 石油产品 - 石油产品综合 ICS:75.080 石油及相关技术 - 石油产品综合
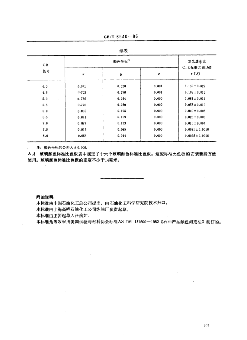
GB/T 6540-1986《石油产品颜色测定法》是我国石油产品颜色测定的重要国家标准,规定了采用赛波特比色计测定石油产品颜色的标准方法。该标准适用于测定各种浅色透明石油产品,如汽油、煤油、白油、溶剂油及轻质润滑油等产品的颜色特征。
涵盖全行业最新方案,助力高效办公!
企业认证 查看用户
该文档于 上传
QQ
微信
微信公众号
扫一扫
客服